English
2000~6000MHz 10dB Wideband Low-Noise Amplifier for Industrial and Commercial Applications
Description
The module is designed for both Industrial and commercial applications. The latest device technologies and design methods are employed to offer high power density, efficiency, and linearity in a small, lightweight packag
Specification
Typical performance at +12V DC +25℃, and in a 50Ω system.
RF / ELECTRICAL | ||||
PARAMETER | MIN | TYP. | MAX | UNIT |
Operating Frequency | 2000 | 6000 | MHz | |
RF INPUT | 0 | dBm | ||
P-1dB Power Output | 10 | dBm | ||
Gain | 33 | 36 | dB | |
Noise Figure | 1.5 | 3 | dB | |
Power Gain Flatness | ±2 | dB | ||
Input VSWR | 2.0 | |||
Operating Voltage | 12 | 15 | V DC | |
In-Out impedance | 50 | Ω | ||
Currents | 0.2 | A | ||
MECHANICAL | ||
PARAMETER | VALUE | UNIT |
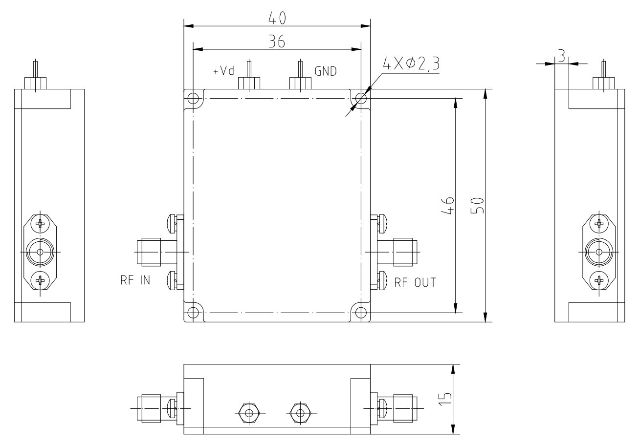
Dimensions (L x W x H) | 40 x50 x 15 | mm |
RF Connectors (Input / Output) | SMA- KFD/ SMA - KFD | -- |
DC Connector | Feed thru capacitor | -- |
Cooling | Consider heat dissipation with the system (Not Supplied) | |
Mounting | φ2.3-4 Thru Hole | -- |
Weight | ≤0.3 | kg |
ENVIRONMENTAL / PROTECTIONS | |||
PARAMETER | MIN | MAX | UNIT |
Operating Temp. (Housing Temp.) | -20 | +60 | °C |
Humidity Range | 0-95 | % | |







