English
10000~13000MHz 20W Power Amplifier for Industrial and Commercial Applications
Description
The module is designed for both Industrial and commercial applications. The latest device technologies and design methods are employed to offer high power density, efficiency, and linearity in a small, lightweight package.
Specification
Typical performance at +28VDC +25oC, and in a 50Ω system.
RF / ELECTRICAL | ||||
PARAMETER | MIN | TYP. | MAX | UNIT |
Operating Frequency | 10000 | 13000 | MHz | |
RF INPUT | 0 | 3 | 5 | dBm |
P-sat Power Output | 42 | 43 | 45 | dBm |
Power Gain Flatness | ±1.5 | dB | ||
Spurious Signals | -50 | dB | ||
Input VSWR | 1.8 | 2 | ||
Operating Voltage | 28 | 30 | 32 | VDC |
In-Out impedance | 50 | Ω | ||
Current | 3 | A | ||
MECHANICAL | ||
PARAMETER | VALUE | UNIT |
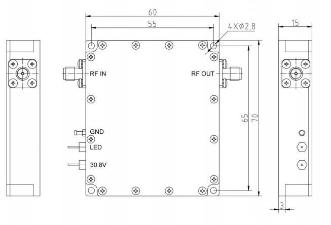
Dimensions (L x W x H) | 60*70* 15 | mm |
RF Connectors (Input / Output) | SMA female/SMA female | -- |
DC / Control Connector | Feeding Capacitor | -- |
Cooling | Consider heat dissipation with the system | -- |
Mounting | 3-6 Thru Hole | -- |
Weight | ≤1.5 | kg |
ENVIRONMENTAL / PROTECTIONS | |||
PARAMETER | MIN | MAX | UNIT |
Operating Temp. (Housing Temp.) | -40 | +60 | °C |
Humidity Range | 0-100 | % | |
PA Baseplate Shutoff Temperature | + 90 | °C | |
INPUT/OUTPUT panel Connector | |||
AMPLIFIER CONNECTOR TYPE: | —— | ||
TRIAD CABLE PART NUMBER: | —— | ||
NUMBER | interface type | DESCRIPTION | |
X1 | SMA female | RF IN | |
X2 | SMA female | RF OUT | |
X3 | Feeding Capacitor | DC and Control Interface | |







