English
18-40GHz 40dB Low Noise Amplifier for RF Microwave, VSAT, Wireless Infrastructure, and Test Equipment
Description:
SWT177064 is a broadband amplifier with atypical small signal gain of 40 dB,a nominal P1dB of +18 dBm, and atypical noise figure of 4 dB across the frequency range of 18 to 40 GHz. The DC power requirement for the amplifier is +12 VDC/300 mA. The use of a heat sink is advised to assist in cooling the device. The RF connectors are female 2.4 mm connectors. Port configurations in 2.92 mm - K connectors are available under model number SWT177064
Features
Broadband Coverage
Good Gain Flatness
Applications:
RF Microwave & VSAT
Wireless Infrastructure
Test Equipment
Electrical Specifications:
Parameter | Minimum | Typical | Maximum |
Frequency | 18 GHz | 40 GHz | |
Gain | 40 dB | ||
P1dB | +18 dBm | ||
Noise Figure | 4 dB | ||
Pin | -10 dBm | ||
Input Return Loss | 10 dB | ||
Output Return Loss | 10 dB | ||
DC Voltage | +6 VDC | +12 VDC | +15 VDC |
DC Supply Current | 300 mA | 350 mA | |
Specification Temperature | +25 ˚C | ||
Operating Temperature | 0 ˚C | +50 ˚C |
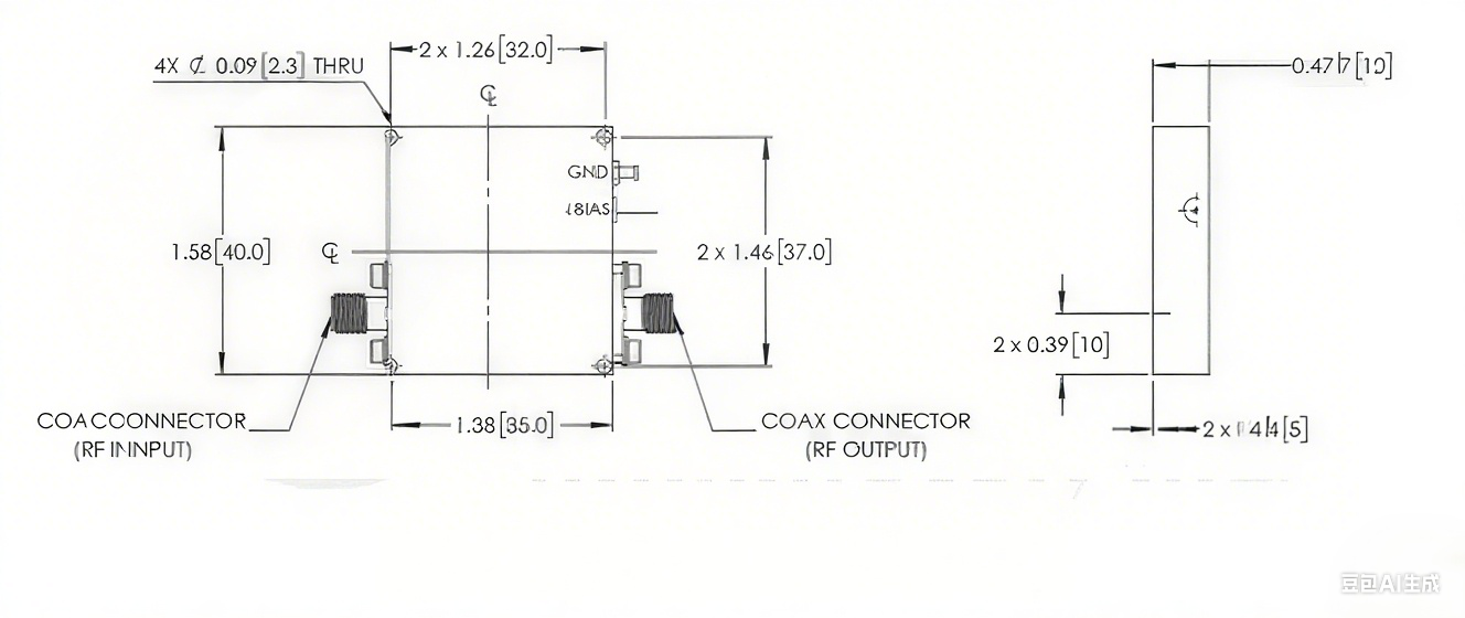
Mechanical Specifications:
Item | Specification |
Input | 2.4 mm (F) |
Output | 2.4 mm (F) |
Bias | Solder Pin |
Case Material | Aluminum |
Finish | Gold Plated |
Weight | 1.8 Oz |
Size | 1.38” (L) x 1.57” (W) x 0.47” (H) |
Outline | BG-ZC-1 |
Mechanical Outline:







