English
Низкий шумовой усилитель для систем связи и радиолокационных систем 0,5 - 2 ГГц 15 дБм
Низкий шумовой усилитель для систем связи и радиолокационных систем 0,5 - 2 ГГц 15 дБм
ДПримечания
SWT - 0.5G2G - 3750S; Я не знаю.Это широкополосный усилитель с высоким коэффициентом усиления и ограничением средней мощности с выходной мощностью насыщения + 15 дБм. Он в основном предназначен для мгновенного измерения частоты электронных боевых приложений, в которых на входном конце существует несколько сигналов, и в ограниченных условиях требуется низкое гармоническое искажение для поддержания соотношения двух звуков на выходном конце. Входной сигнал может достигать + 12 дБм.
Особенности: & Amp; NBSP & АМП; NBSP & АМП; NBSP & АМП; NBSP & АМП; NBSP & АМП; NBSP & АМП; NBSP & АМП; NBSP & АМП; NBSP & АМП; NBSP & АМП; NBSP & АМП; NBSP & АМП; NBSP & АМП; NBSP & АМП; NBSP & АМП; NBSP & АМП; NBSP & АМП; NBSP & АМП; NBSP & АМП; NBSP & АМП; NBSP & АМП; NBSP & АМП; NBSP & АМП; NBSP & АМП; NBSP & АМП; NBSP & АМП; НБСП;
Диапазон частот от 0,5 до 2,0 ГГц
N.F. &; Менее 5,0 дБ
+ 15 дБм насыщенной выходной мощности
Защита от обратного напряжения
& Amp; NBSP & АМП; NBSP & АМП; NBSP & АМП; NBSP & АМП; NBSP & АМП; NBSP & АМП; NBSP & АМП; NBSP & АМП; NBSP & АМП; NBSP & АМП; NBSP & АМП; НБСП;
Спецификации:
Частота: & Amp; NBSP & АМП; NBSP & АМП; NBSP & АМП; NBSP & АМП; NBSP & АМП; NBSP & АМП; NBSP & АМП; НБСП; 0,5 - 2,0 ГГц
Введите диапазон: & Amp; NBSP & АМП; NBSP & АМП; NBSP & АМП; NBSP & АМП; NBSP & АМП; NBSP & АМП; НБСП - От 25 до + 12 дБм
Коэффициент шума: & Amp; NBSP & АМП; NBSP & АМП; NBSP & АМП; NBSP & АМП; NBSP & АМП; НБСП; Максимальный 5,0 дБ
Ввод VSWR: & Amp; NBSP & АМП; NBSP & АМП; NBSP & АМП; NBSP & АМП; NBSP & АМП; NBSP & АМП; НБСП; Максимум 2.0: 1
Вывод VSWR: & Amp; NBSP & АМП; NBSP & АМП; NBSP & АМП; NBSP & АМП; НБСП; Максимум 2.0: 1
Псалом: & Amp; NBSP & АМП; NBSP & АМП; NBSP & АМП; NBSP & АМП; NBSP & АМП; NBSP & АМП; NBSP & АМП; NBSP & АМП; NBSP & АМП; NBSP & АМП; NBSP & АМП; NBSP & АМП; НБС + От 15 до 20 дБм
Плотность Psat: & Amp; NBSP & АМП; NBSP & АМП; NBSP & АМП; NBSP & АМП; НБСП; Максимально 1,5 дБ
Поставка напряжения постоянного тока: & Amp; НБСП; От 9 до 15 В
Потребление тока постоянного тока: & Amp; NBSP & АМП; NBSP & АМП; НБСП; Типичное значение 425 мА
Экологический рейтинг:
Температура: & Amp; NBSP & АМП; NBSP & АМП; NBSP & АМП; NBSP & АМП; NBSP & АМП; NBSP & АМП; NBSP & АМП; NBSP & АМП; НБСП - От 40°C до + 75°C
& Amp; NBSP & АМП; NBSP & АМП; NBSP & АМП; NBSP & АМП; NBSP & АМП; NBSP & АМП; NBSP & АМП; NBSP & АМП; NBSP & АМП; NBSP & АМП; NBSP & АМП; NBSP & АМП; NBSP & АМП; NBSP & АМП; NBSP & АМП; NBSP & АМП; NBSP & АМП; NBSP & АМП; НБСП - От 55°C до + 125°C
Вибрация: & Amp; NBSP & АМП; NBSP & АМП; NBSP & АМП; NBSP & АМП; NBSP & АМП; NBSP & АМП; NBSP & АМП; NBSP & АМП; NBSP & АМП; NBSP & АМП; NBSP & АМП; НБСП; MIL - STD - 202F, Метод 204D, Условия. Б
Высота над уровнем моря: & Amp; NBSP & АМП; NBSP & АМП; NBSP & АМП; NBSP & АМП; NBSP & АМП; NBSP & АМП; NBSP & АМП; NBSP & АМП; NBSP & АМП; NBSP & АМП; NBSP & АМП; NBSP & АМП; НБСП; MIL - STD - 202F, Метод 105C, Условия. Б
Температурный цикл: & Amp; NBSP & АМП; NBSP & АМП; NBSP & АМП; НБСП; MIL - STD - 202F, Метод 107D, Условия. А.
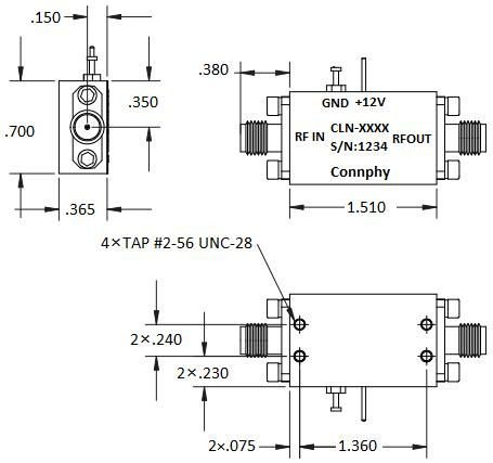
Механическая форма (дюймы) А.


ADD:Нанкин Юхуатайский район Программное обеспечение Avenue Big Data Industry Base 2, комната 410
+86 17302591509



