English
4500-5000 MHz Low Noise High Gain Amplifier for 5G Base Stations
Description
The module is designed for both Industrial and commercial applications. The latest device technologies and design methods are employed to offer high power density, efficiency, and linearity in a small, lightweight package.
Specification
Typical performance at +5V DC +25℃, and in a 50Ω system.
RF / ELECTRICAL | ||||
PARAMETER | MIN | TYP. | MAX | UNIT |
Operating Frequency | 4500 | 5000 | MHz | |
P-1dB Power Output | 10 | dBm | ||
Gain | 24 | dB | ||
Noise Figure@25℃ | 1.6 | 1.8 | dB | |
Power Gain Flatness@25℃ | ±2 | dB | ||
Input VSWR | 2.0 | |||
Operating Voltage | 5 | V DC | ||
In-Out impedance | 50 | Ω | ||
Currents | 70 | mA | ||
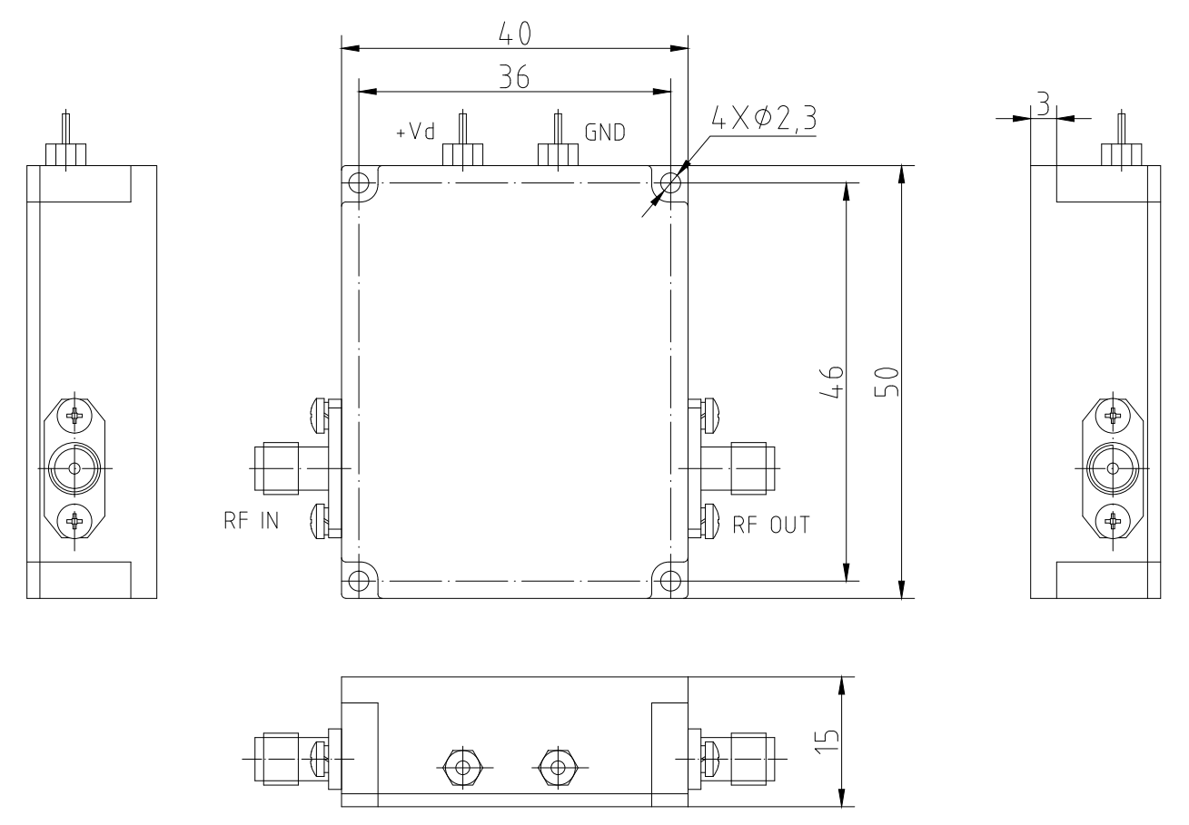
MECHANICAL | ||
PARAMETER | VALUE | UNIT |
Dimensions (L x W x H) | 40 x50 x 15 | mm |
RF Connectors (Input / Output) | SMA- KFD/ SMA - KFD | -- |
DC Connector | Feed thru capacitor | -- |
Cooling | Consider heat dissipation with the system (Not Supplied) | |
Mounting | φ2.3-4 Thru Hole | -- |
Weight | ≤0.3 | kg |
ENVIRONMENTAL / PROTECTIONS | |||
PARAMETER | MIN | MAX | UNIT |
Operating Temp. (Housing Temp.) | -20 | +55 | °C |
Humidity Range | 0-95 | % | |


ADD:Rooms 405 & 406, 4th Floor, Building 2, Big Data Industrial Base, No. 180 Software Avenue, Yuhuatai District, Nanjing, Jiangsu Province, China
+86 17302591509
+86-25-87702669







