English
6000-18000MHz 100W Courpler for Industrial Automation Equipment
main parameter
parameter | minimum | typical case | maximum | unit |
service frequency | 6 | ~ | 18 | GHz |
insertion loss | 0.6 | dB | ||
degree of coupling | 38.5 | 40 | 41.5 | dB |
directivity | 15 | dB | ||
Main Line Standing Wave Ratio | 1.4 | |||
Coupler Standing Wave Ratio | 1.5 |
Other parameters
Interface format | SMA-F |
Interface material | stainless steel |
impedance | 50Ω |
surface | This guide |
power capacity | 100W design guarantee |
sheathing material | Aluminum 6061 |
working temperature | Design guarantee-40~+70℃ |
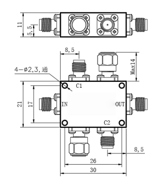
Port definition
Input port | IN | OUT |
output port | OUT | IN |
Forward coupling port | C1 | C2 |
Reverse coupling port | C2 | C1 |
Typical test data
Frequency GHz | S11 Standing Wave | S22 Standing Wave | S12 loss dB | S13 Coupling dB | S23 Direction |
3 | 1.09 | 1.09 | -0.07 | -43.29 | -33.43 |
4.21 | 1.06 | 1.06 | -0.09 | -41.27 | -33.96 |
5.43 | 1.06 | 1.06 | -0.08 | -40.2 | -44.79 |
6.64 | 1.03 | 1.02 | -0.06 | -39.77 | -34.64 |
7.86 | 1.13 | 1.12 | -0.07 | -39.77 | -33.47 |
9.07 | 1.09 | 1.08 | -0.06 | -39.9 | -33.83 |
10.29 | 1.07 | 1.07 | -0.06 | -40.03 | -25.62 |
11.5 | 1.17 | 1.17 | -0.07 | -40.04 | -27.65 |
12.71 | 1.12 | 1.11 | -0.07 | -40.03 | -33.83 |
13.93 | 1.24 | 1.25 | -0.1 | -40.15 | -22.13 |
15.14 | 1.08 | 1.07 | -0.08 | -40.27 | -22.27 |
16.36 | 1.33 | 1.35 | -0.13 | -40.33 | -30.53 |
17.57 | 1.05 | 1.07 | -0.07 | -40.31 | -33 |
18.79 | 1.25 | 1.24 | -0.1 | -40.29 | -21.09 |
20 | 1.18 | 1.2 | -0.09 | -40.17 | -15.6 |
External structure diagram (mm)


ADD:Rooms 405 & 406, 4th Floor, Building 2, Big Data Industrial Base, No. 180 Software Avenue, Yuhuatai District, Nanjing, Jiangsu Province, China
+86 17302591509
+86-25-87702669





