English
DC-1GHz 10W Average Power Low Insertion Loss Dpdt Coaxial Switch
DC-1GHz 10W average power low Insertion Loss DPDT Coaxial Switch
Coaxial switches could be controlled by voltage or computer programmable and are used in switching over in microwave circuit. According to the amount of output ports they include SPDT-SP8T, 2PDT, 2P3T and Transfer etc.
SWT-TKC-1000 DPDT coaxial switches' average power 10W, frequency range DC-1GHz and the features include low Insertion Loss,low VSWR and excellent wide-band performance.
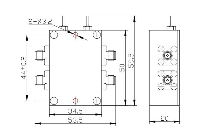
MECHANICAL SPECIFICATIONS
| Connectors | Female Pin | Housing | Temp Range | Dimensions | Weight |
| Brass Gold Plated | Beryllium Copper Gold Plated | Aluminum, Anodic Oxidation | Operating: -10°C~+50°C Non-operating: -40°C~+70°C | 53.5×59.5×20mm | 80g |
RoHS Complient: Yes
ELECTRICAL SPECIFICATIONS
| Model Number | Frequency Range (GHz) | Max VSWR | Insertion Loss (dB) | Isolation (dB) |
| SWT-TKC-1000 | DC-1 | 1.4 | ≤0.75 | ≥50 |
| NOMINAL IMPEDANCE | 50Ω |
| AVERAGE POWER | 10W |
| OPERATING VOLTAGE | +12V |
| COIL CURRENT | ≤100mA |
| SWITCHING TIME | 10ms min |
| CONNECTOR TYPE | SMA(F) |
Notes:
1. Dimensions Tolerance ±2%


ADD:Rooms 405 & 406, 4th Floor, Building 2, Big Data Industrial Base, No. 180 Software Avenue, Yuhuatai District, Nanjing, Jiangsu Province, China
+86 17302591509
+86-25-87702669


